特性概要 ( General Specifications ) | |
繞組連接方式 ( Winding Type ) | 星形 ( Star connection) |
霍爾分布角度 ( Hall Effect Angle ) | 120度電角度 ( Electrical Angle of 120 degree) |
徑向間隙 ( Radial Play ) | 0.02mm@450g |
軸向間隙 ( Axial Play ) | 0.08mm@450g |
最大徑向負載 ( Max radial force ) | 15N 距法蘭10mm ( 10mm From the flange) |
最大軸向負載 ( Max axial force ) | 10N |
介電強度 ( Dielectric Strength ) | 600VAC/1S |
絕緣電阻 ( Insulation Resistance ) | 100MΩ, 500VDC |
環(huán)境溫度 ( Ambient Temperature ) | -20°C ~ +50°C |
絕緣等級 (Insulation Class) | Class B |
接線說明(Electric Connection) | ||
引出線型號Type | 引出線顏色Color | 功能Functions |
UL1430 AWG20 | 紅色 ( Red ) | 電源正 ( Vcc ) |
黑色 ( Black ) | 電源負 ( GND ) | |
UL1430 AWG26 | 綠色 ( Green ) | 轉向控制(Rotating Direction)CW/CCW |
白色 ( White ) | PWM調速(Speed Control) | |
藍色 ( Blue ) | 剎車(Brake) | |
黃色 ( Yellow ) | 轉速信號反饋(Tacho out)PG | |
單 位 (Unit) | FL48CBL68-24V-3060A | |
極數 ( Number of poles ) | 10 | |
相數 ( Number of phases ) | 3 | |
額定轉矩 ( Rated torque) | mN.m | 180 |
連續(xù)運行轉矩 ( Continuous stall torque) | mN.m | 216 |
額定速度 ( Rated speed ) | RPM | 3000 |
額定功率 ( Rated power ) | W | 60 |
峰值轉矩 ( Peak torque ) | mN.m | 257 |
峰值電流 ( Peak current ) | A | 5 |
線電阻 ( Line to line resistance ) | ohms@20℃ | 0.7 |
線電感 ( Line to line inductance ) | mH | 0.7 |
轉矩常數 ( Torque constant ) | mN.m/A | 58 |
反電勢 ( Back EMF ) | Vrms/KRPM | 4.3 |
轉動慣量 ( Rotor inertia ) | g.cm2 | 80 |
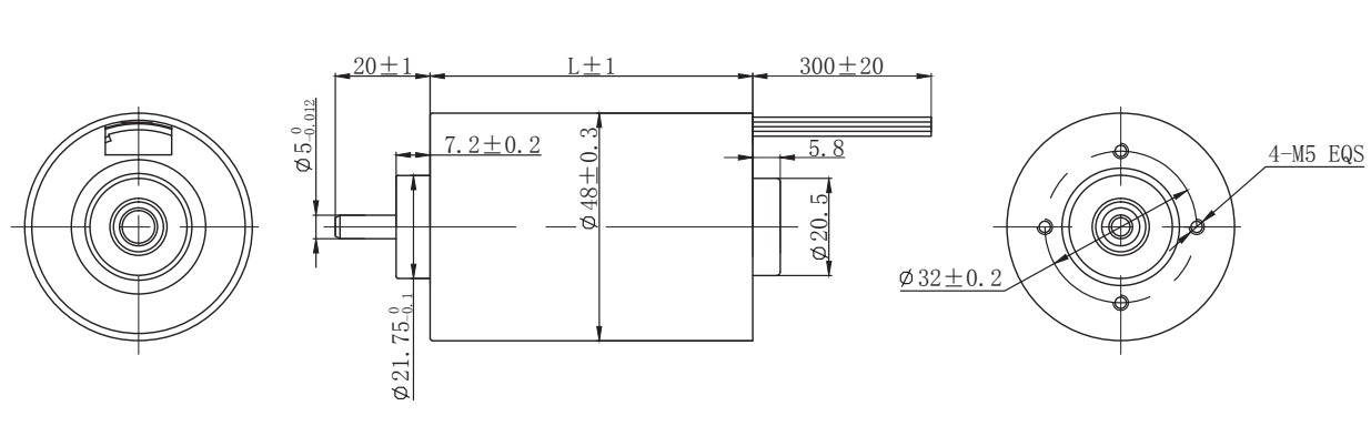
機身長度 ( Motor length ) L | mm | 68 |
重量 ( Weight ) | Kg | 0.5 |
該款電機可以根據客戶需求定制。
The motor can be designed &manufactured with customized request.

Copyright 2023 版權所有 江蘇富興電機技術股份有限公司 蘇ICP備05002292號-1