BLDC Planetary Gear Motor (Ring Gear Material: Metal and Powder)
| 型號 | 范圍 |
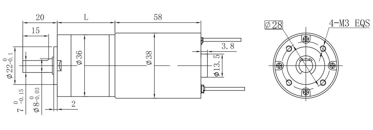
| FL38CBL58/36JXF50K | Φ36行星減速器,允許轉矩范圍:0.5N.m~5.0N.m 36mm OD Planetary Gearbox,Permissible Load Range: 0.5N.m~5.0N.m |
| U | V | W | Vcc | Ha | Hb | Hc | GND |
| 黃Yellow | 紅Red | 黑Black | 紅Red | 藍Blue | 綠Green | 白White | 黑Black |
| UL1430 AWG22 | UL1430 AWG26 | ||||||
| 電機型號 | 極 數 | 相 數 | 額定電壓 | 空載轉速 | 額定轉速 | 額定轉矩 | 額定功率 | 峰值轉矩 | 峰值電流 | 電 阻 | 電 感 |
| TYPE | Number of poles | Number of phase | Rated voltage | No-load speed | Rated speed | Rated torque | Rated power | Reak torque | Peak current | Line to line resistance | Line to line inductance |
| VDC | r/min | r/min | mN.m | W | mN.m | A | ohms | mH | |||
| FL38CBL58-2450 | 4 | 3 | 24 | 5000 | 4000 | 70 | 30 | 210 | 5.1 | 2 | 1.5 |
配置FL38CBL58-2450無刷電機 FL38CBL58-2450 BLDC Motor
| 減 速 比 Reduction ratio | 3.7 | 5.2 | 14 | 19 | 27 | 35 | 49 | 59 | 68 | 82 | 95 | 115 | |
| 減速級數 Number of gear trains | 1 | 1 | 2 | 2 | 2 | 2 | 3 | 3 | 3 | 3 | 3 | 3 | |
| 減速器長度(L) Length(L) | mm | 29 | 29 | 38.4 | 38.4 | 38.4 | 38.4 | 45.7 | 45.7 | 45.7 | 45.7 | 45.7 | 45.7 |
| 空載轉速 No-load speed | r/min | 1348 | 965 | 357 | 263 | 185 | 143 | 102 | 85 | 74 | 61 | 53 | 43 |
| 額定轉速 Rated speed | r/min | 1078 | 772 | 286 | 211 | 148 | 114 | 82 | 58 | 59 | 49 | 42 | 35 |
| 額定轉矩 Rated torque | N.m | 0.23 | 0.33 | 0.79 | 1.1 | 1.5 | 2 | 2.5 | 3 | 3.5 | 4.2 | 4.9 | 5 |
| 最大瞬間允許負載Max. permissible load in a short time | N.m | 1.5 | 1.5 | 6 | 6 | 6 | 6 | 10 | 10 | 10 | 10 | 12 | 12 |

Copyright 2023 版權所有 江蘇富興電機技術股份有限公司 蘇ICP備05002292號-1